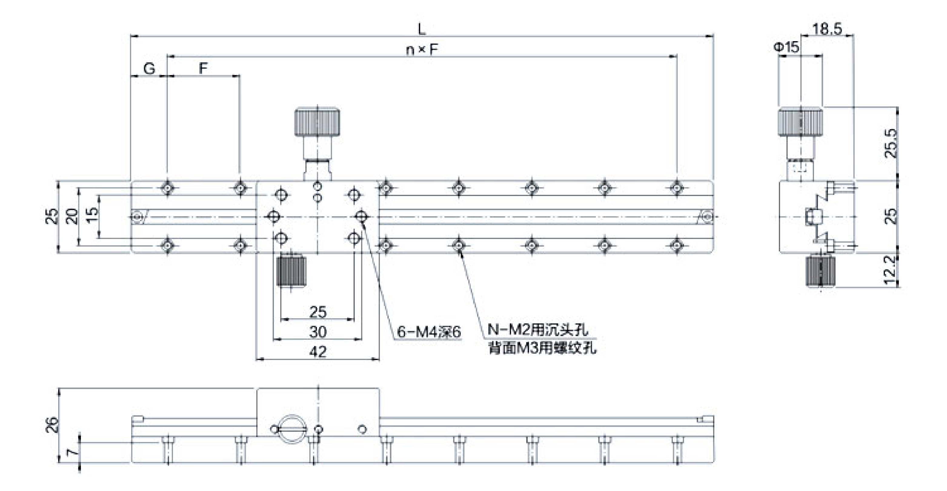
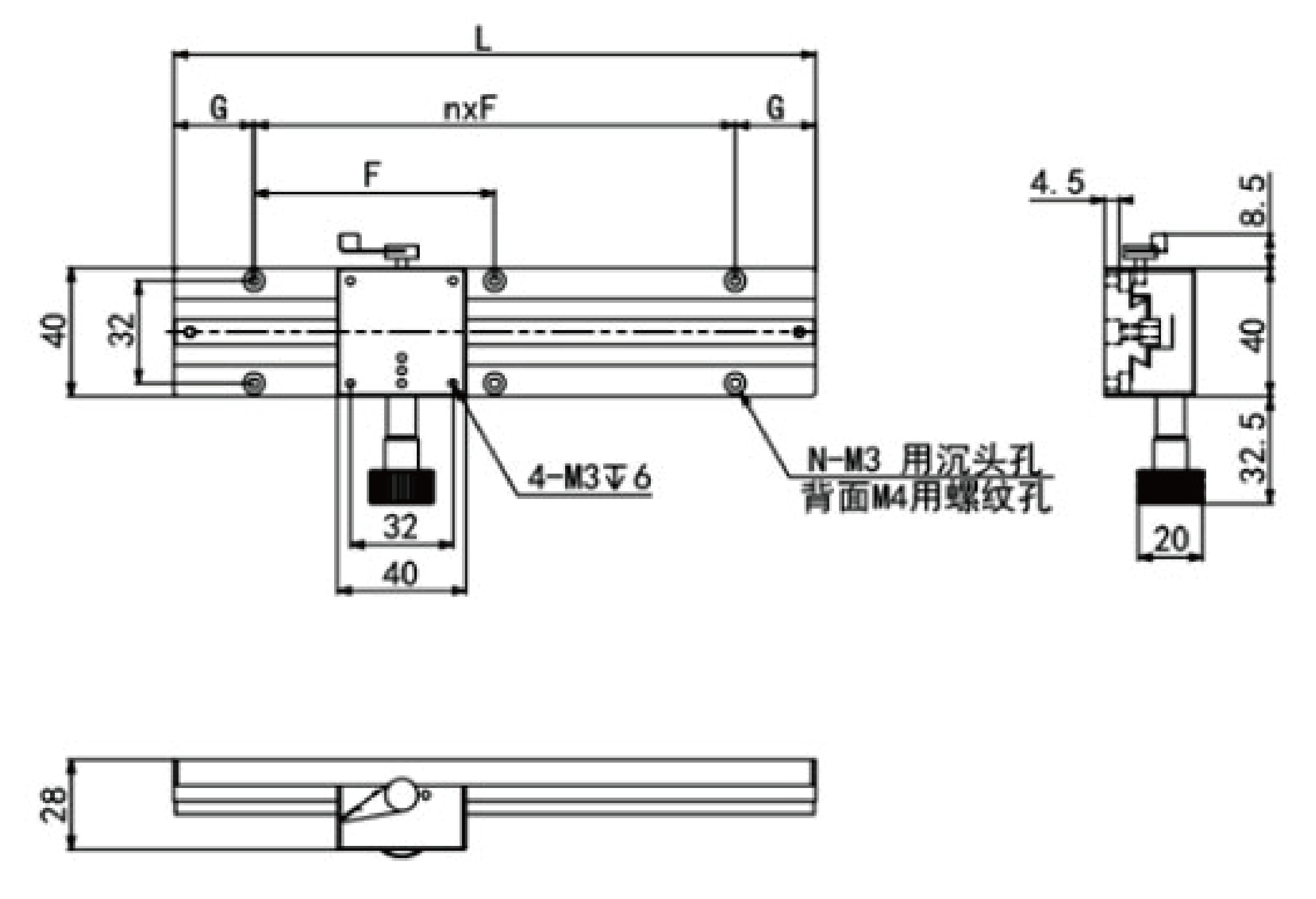
產品型號說明:

①移動方式:平行方向,燕尾槽型
②移動方向:X:X軸一個方向、Z: Z軸一個方向
③台面尺寸:25(25X42mm)、40(40x40mm)、60(60x60mm)
④滑台長度:L100,長度100mm
⑤滑塊數量:預設:單個滑塊,數字:滑塊數量

平台安裝方法

從上可使用沉頭孔進行安裝,從下可使用螺紋孔進行安裝
LWX25系列

| 型號 | 檯面大小 | L | G | nxF | N | 負載 | 平行度 | 行程 | 重量 |
| LWX25-L50 | 25X42 | 50 | 12.5 | 1x25 | 4 | 29.4N(3kgf) | 0.05 | 30 | 0.12kg |
| LWX25-L70 | 70 | 10 | 2x25 | 6 | 0.05 | 50 | 0.13kg | ||
| LWX25-L100 | 100 | 12.5 | 3x25 | 8 | 0.05 | 80 | 0.16kg | ||
| LWX25-L150 | 150 | 4x25 | 10 | 0.1 | 130 | 0.21kg | |||
| LWX25-L200 | 200 | 5x25 | 12 | 0.15 | 180 | 0.25kg |
LWX40系列

| 型號 | 檯面大小 | L | G | nxF | N | 負載 | 平行度 | 行程 | 重量 |
| LWX40-L100 | 40X40 | 100 | 12.5 | 1x75 | 4 | 29.4N(3kgf) | 0.05 | 60 | 0.25kg |
| LWX40-L150 | 150 | 25 | 1x100 | 0.05 | 110 | 0.33kg | |||
| LWX40-L200 | 200 | 2x75 | 6 | 0.05 | 160 | 0.39kg | |||
| LWX40-L250 | 250 | 2x100 | 0.1 | 210 | 0.46kg | ||||
| LWX40-L300 | 300 | 50 | 2x100 | 0.1 | 260 | 0.53kg | |||
| LWX40-L350 | 350 | 3x100 | 8 | 0.1 | 310 | 0.61kg | |||
| LWX40-L400 | 400 | 3x100 | 0.1 | 350 | 0.78kg |
LWX60系列

| 型號 | 檯面大小 | L | G | nxF | N | 負載 | 平行度 | 行程 | 重量 |
| LWX60-L100 | 60X60 | 100 | 12.5 | 1x75 | 4 | 59.4N(6kgf) | 0.05 | 60 | 0.35kg |
| LWX60-L150 | 150 | 25 | 1x100 | 0.05 | 110 | 0.46kg | |||
| LWX60-L200 | 200 | 2x75 | 6 | 0.05 | 160 | 0.53kg | |||
| LWX60-L250 | 250 | 2x100 | 0.05 | 210 | 0.61kg | ||||
| LWX60-L300 | 300 | 50 | 2x100 | 0.05 | 260 | 0.69kg | |||
| LWX60-L400 | 400 | 100 | 3x75 | 8 | 0.05 | 360 | 0.81kg | ||
| LWX60-L500 | 500 | 125 | 3x75 | 14 | 0.05 | 460 | 0.93kg |
![]() |
![]() |
![]() |
![]() |
目前還沒有留言,成為第一個留言的人吧!
我要留言