返回產品列表
齒輪齒條驅動型_25系列
手動微調滑台系列 燕尾槽平台

齒輪齒條驅動型_25系列

產品特色:

●驅動方式採用齒輪齒條,工作頻率可較高,適用於需要快速運動及大行程的場合。

●主體材料為鋁合金,質量輕,適合內置於其它裝置。

●有長行程軌道,可配多個滑塊。

 

標準系列:

Wideray

移動方式 移動方向 臺面尺寸 底板

平行方向

燕尾槽型

    X:X軸一個方向

    Y:XY軸兩個方向

    Z:Z軸一個方向

    E:XZ軸兩個方向

    D:XYZ軸三個方向

2545:25x42

4040:40x40

4060:40x60

4090:40x90

無標記:帶底板

  N:不帶底板

 

長行程系列:

Wideray

 

移動方式 移動方向 臺面尺寸 軌道長度 滑塊數量

平行方向

燕尾槽型

X:X軸一個方向

Z:Z軸一個方向

25:25x42

40:40x40

60:60x60

單位:mm

無標記:1個滑塊

  數字:滑塊個數

 

安裝方法
帶底板

Wideray

 

使用平臺上的沉頭孔就可以將平臺進行安裝
不帶底板
Wideray
前後移動平臺臺面,使用露出的沉頭孔進行安裝。                        或者使用底面上的螺紋孔進行安裝
長行程
Wideray
從上可使用沉頭孔進行安裝,從下可使用螺紋孔進行安裝。

 

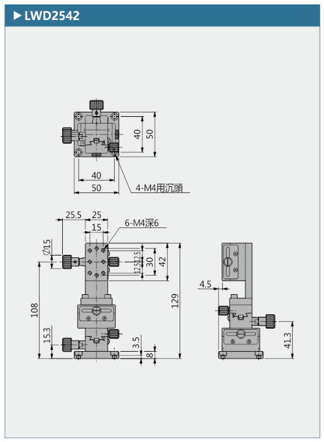
LWX2542 LWY2542 LWZ2542 LWE2542 LWD2542
移動方向 X軸一個方向 XY軸兩個方向 Z軸一個方向 XZ軸兩個方向 XYZ軸三個方向
主體材質 鋁合金(黑色陽極)
驅動方式 手輪+齒輪齒條
臺面大小 25mm x 42mm
臺面厚度 34mm 60mm
行程 ±12mm
負載 24.5N(2.5kgf)
最小刻度 0.1mm
移動平行度 ≤0.3mm/24mm
平行度 0.03mm 0.06mm
重量 0.16kg 0.31kg 0.16kg 0.32kg 0.48kg

 

Wideray Wideray Wideray
Wideray Wideray

目前還沒有留言,成為第一個留言的人吧!

我要留言