產品特色:
●驅動方式採用齒輪齒條,工作頻率可較高,適用於需要快速運動及大行程的場合。
●主體材料為鋁合金,質量輕,適合內置於其它裝置。
●有長行程軌道,可配多個滑塊。
標準系列:

| 移動方式 | 移動方向 | 臺面尺寸 | 底板 |
|
平行方向 燕尾槽型 |
X:X軸一個方向 Y:XY軸兩個方向 Z:Z軸一個方向 E:XZ軸兩個方向 D:XYZ軸三個方向 |
2545:25x42 4040:40x40 4060:40x60 4090:40x90 |
無標記:帶底板 N:不帶底板 |
長行程系列:

| 移動方式 | 移動方向 | 臺面尺寸 | 軌道長度 | 滑塊數量 |
|
平行方向 燕尾槽型 |
X:X軸一個方向 Z:Z軸一個方向 |
25:25x42 40:40x40 60:60x60 |
單位:mm |
無標記:1個滑塊 數字:滑塊個數 |
| 安裝方法 |
| 帶底板 |
|
|
| 使用平臺上的沉頭孔就可以將平臺進行安裝 |
| 不帶底板 |
![]() |
| 前後移動平臺臺面,使用露出的沉頭孔進行安裝。 或者使用底面上的螺紋孔進行安裝 |
| 長行程 |
![]() |
| 從上可使用沉頭孔進行安裝,從下可使用螺紋孔進行安裝。 |
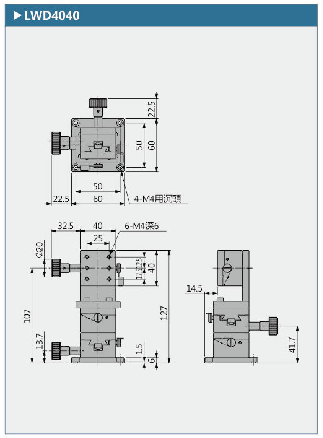
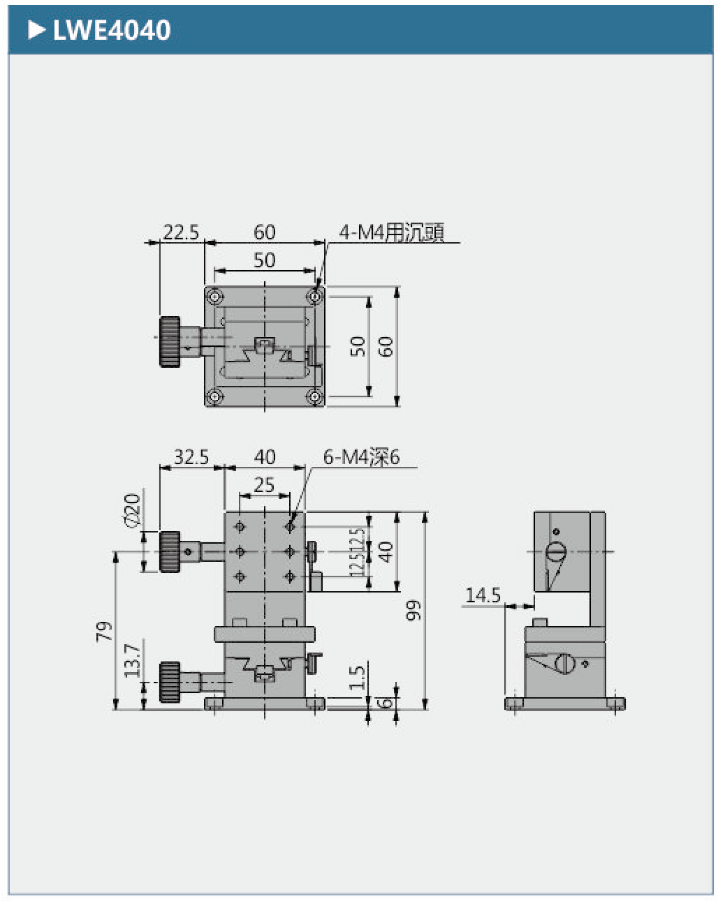
| LWX4040 | LWY4040 | LWZ4040 | LWE4040 | LWD4040 | |
| 移動方向 | X軸一個方向 | XY軸兩個方向 | Z軸一個方向 | XZ軸兩個方向 | XYZ軸三個方向 |
| 主體材質 | 鋁合金(黑色陽極) | ||||
| 驅動方式 | 手輪+齒輪齒條 | ||||
| 臺面大小 | 40mm x 40mm | ||||
| 臺面厚度 | 34mm | 62mm | - | - | - |
| 行程 | ±10mm | ||||
| 負載 | 29.2N(3kgf) | ||||
| 最小刻度 | 0.1mm | ||||
| 移動平行度 | ≤0.3mm/24mm | ||||
| 平行度 | 0.03mm | 0.06mm | - | - | - |
| 重量 | 0.22kg | 0.39kg | 0.25kg | 0.47kg | 0.65kg |
目前還沒有留言,成為第一個留言的人吧!
我要留言