產品特色:
●驅動方式採用交叉滾子導軌,可實現高精度,平滑的移動。
●主體材料為鋁合金,質量輕,適合內置於其它裝置。
●臺面尺寸從30mm~200mm,規格多樣。
●驅動方式可選擇微分頭和精密螺桿。
標準系列:

| 移動方式 | 移動方向 | 臺面尺寸 | 微分頭安裝位置 | 組合方式* | 平臺材質 | 位移行程 |
|
平行方向 交叉導軌型 |
X:X軸一個方向 Y:XY軸兩個方向 |
單位:mm |
參考下圖 |
無標記:標準型 M:薄型 B:超薄型 |
無標記:鋁合金 S:鐵質 |
無標記:標準行程數 字:非標行程 |
※只適合與XY軸,標準型由2個X軸組合,薄型和超薄型為一體式
![]() |
![]() |
| 產品變更 |
|
※以上變更並非適用於所有平臺,如有需要請聯絡銷售人員。
| 安裝方法 |
|
|
|
將平臺面移至極限位置,如上圖所示,露出2處安裝孔, 請先將配套的螺栓放入,作暫時固定即可,請確認螺栓已經 完全進入螺栓安裝孔中,然後進行下一步的操作。 |
接下來,請逆時針轉動微分頭,將平臺面移到另一側極限 位置,在與剛在位置相反的一側,會露出另外2處安裝孔。 請將配套的螺栓放入,並擰緊到一定程度。確認與安裝位置 吻合後,先將2處安裝孔的螺栓完全固定,最後再固定前2處 安裝孔的螺栓。 |
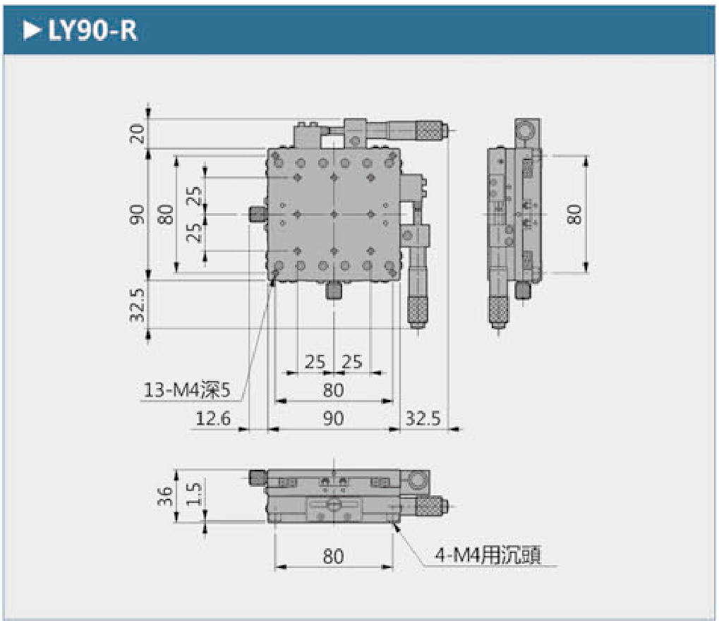
| LX90-C | LX90-L | LX90-R | LY90-C | LY90-L | LY90-R | |
| 移動方向 | X軸一個方向 | XY軸兩個方向 | ||||
| 主體材質 | 鋁合金(黑色陽極) | |||||
| 驅動方式 | 微分頭 | |||||
| 臺面大小 | 90mm x 90mm | |||||
| 臺面厚度 | 18mm | 36mm | ||||
| 行程 | ±12.5mm(可訂製±6.5mm) | |||||
| 負載 | 93.1N(9.5kgf) | |||||
| 最小刻度 | 0.01mm | |||||
| 移動平行度 | ≤0.02mm/25mm | |||||
| 平行度 | 0.03mm | 0.06mm | ||||
| 重量 | 0.47kg | 0.94kg | ||||
![]() |
![]() |
![]() |
![]() |
![]() |
![]() |















目前還沒有留言,成為第一個留言的人吧!
我要留言